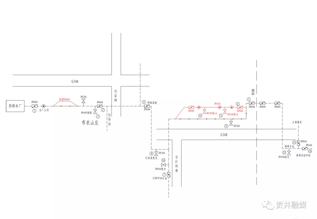
因G348道路施工需要,我公司将于2021年10月20日22:00至10月22日7:00对西部水厂DN800配水干管进行停接水施工。在施工期间,相关区域供水压力将受不同程度影响,具体情况如下:
一、贡井城区及周边管网水用户:20日22:00至21日15:00供水压力将受不同程度的影响,高、边、远用户可能停水。
二、 荣边镇、尖山和农团乡片区:21日6:00至21日22:00将停水。
三、长土镇至南湖生态城G348沿线、马吃水至汇东杨公桥汇川路沿线及以南区域、汇南路沿线、汇北路沿线、紫荆街沿线、南湖生态城及周边区域、西山路沿线、沿滩新城及周边区域等管网水用户:20日22:00至22日2:00位置较高的用户将停水。
四、沿滩新城及周边区域加压水用户:20日22:00至22日2:00供水压力将受不同程度的影响,高、边、远用户将停水。
五、舒坪镇及周边区域、青杠林片区、贡山一号片区、通航广场片区及周边区域、汇川路沿线及周边区域、汇南路沿线及周边区域、南湖生态城及周边区域、卧龙湖片区及周边区域等加压水用户:21日6:00至22日7:00将停水。
六、舒平至仲权自宜路沿线、仲权镇片区及周边区域用户:21日6:00至22日17:00将停水。
请以上区域各单位和居民用户做好储水准备,并管理好用水器具。我公司将加快施工进度,尽快恢复正常供水。
如有疑问,请拨打自贡水务投资集团有限公司24小时服务热线962524。由此给您带来的不便,敬请谅解!
图片
自贡水务投资集团有限公司
2021年10月15日
来源:自贡水务投资集团有限公司
编辑:孔云

0